语言版本: 中文 English

武芯烧录器支持英飞凌Infineon MOTIX™ TLE9872QTW40 芯片编程烧录

发布时间:2026-04-29 14:21:56

TLE9872QTW40是英飞凌(Infineon)一款面向汽车电机控制的32位微控制器。以其紧凑型三相电机驱动器的特性,在汽车芯片领域独树一帜。该芯片采用Arm® Cortex® - M3 内核,工作频率最高可达 40MHz,为其提供了高效的运算能力。

在汽车电机控制的复杂环境中,它能够快速处理各种数据和指令,确保电机控制的实时性和准确性,无论是应对电机转速的频繁调整,还是对电机运行状态的精确监测,都能游刃有余,为电机的稳定运行奠定坚实基础。

1.集成的 LIN 收发器和驱动级

芯片集成的LIN 收发器,方便芯片与汽车内部其他 LIN 网络设备进行高效的数据交互。这使得 TLE9872QTW40 能够更好地融入汽车电子系统,与其他部件协同工作,实现更复杂的功能。而驱动级的集成,则为电机提供了直接且稳定的驱动能力,确保电机能够按照芯片的指令精确运行,进一步提升了电机控制的可靠性和稳定性。

2.支持电机控制算法支持

TLE9872QTW40 系列支持磁场定向控制等先进的电机控制算法,通过这些算法,芯片能够对电机的磁场进行精确控制,实现电机的高效运行,提高能源利用效率,降低能耗。同时,先进的控制算法还能提升电机的动态响应性能,使其在不同负载和工况下都能快速、稳定地调整运行状态,满足汽车电机控制多样化的需求。

3.汽车标准与封装优势

这款芯片是符合汽车标准的0 级器件,采用 TQFP 封装。符合汽车标准意味着它经过了严格的测试和验证,能够在汽车复杂多变的环境中稳定可靠地工作,无论是高温、低温、震动还是电磁干扰,都能应对自如。而 TQFP 封装则具有引脚间距较大、易于焊接和测试的优点,同时在尺寸上较为紧凑,非常适合泵和风扇等 BLDC 电机控制应用,为汽车制造商在设计和生产过程中提供了便利,有助于实现更紧凑、高效的电机控制系统。

主要特性

32位 Arm®* Cortex®-M3 内核,最大40MHz工作频率

片上存储器256 KB 闪存、8 KB RAM 

用于时钟生成的片上振荡器和锁相环(PLL)

包括电荷泵的MOSFET 驱动器

10个通用I/O端口(GPIO)

16位定时器GPT12, Timer2, Timer21 和 Timer3

2个全双工串行接口(UART),支持LIN(仅UART1)

2个同步串行通道(SSC) 

用于PWM信号生成的捕获/比较单元(CCU6)

支持LIN(仅UART1)

2个同步串行通道(SSC)

2个全双工串行接口(UART)

5个模拟输入 

10位A/D转换器(ADC1)

1 个 LIN 2.2 收发器

低压差线性稳压器(LDO)

用于通过分流器检测电机电流的高速运算放大器

单电源5.5 V 至 28 V

温度范围Tj = -40°C 至 175°C

封装TQFP-48 

绿色封装(符合RoHS) 

AEC认证

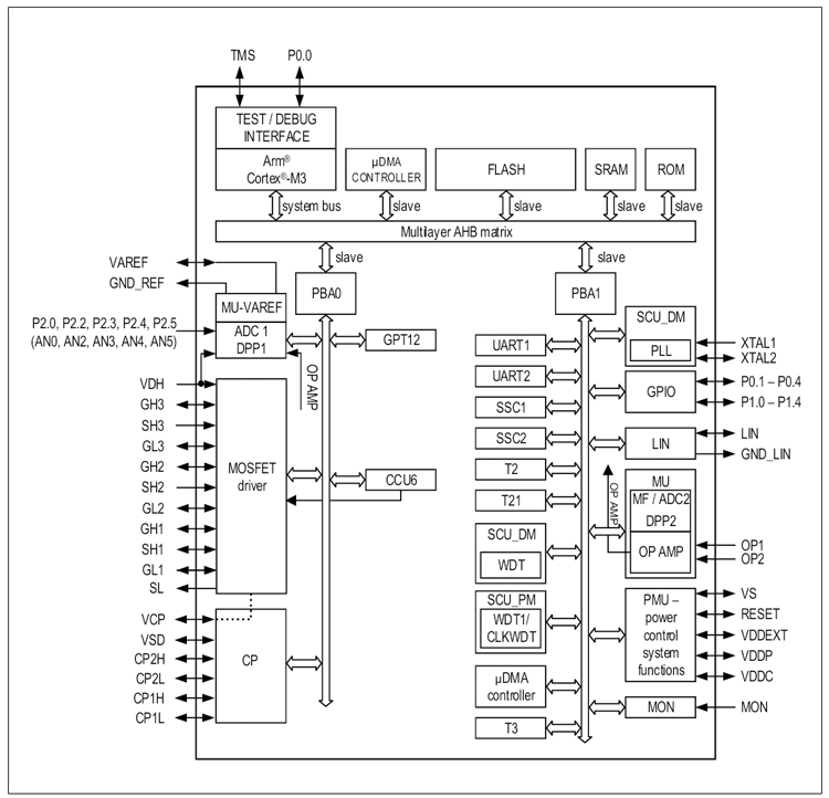
TLE9872QTW40 系列框图.png

内部框图

武芯科技作为通用型芯片烧录器制造商,专注于IC烧录、测试领域。在持续优化更新烧录软件的同时,也在积极扩充和兼容各大厂商的芯片型号的烧录。ET9800烧录器支持一拖八烧录,同时提供联机、脱机等工作模式。采用DAP接口与TC387芯片交互,通过芯片实时访问特性及双缓冲区软件算法提高烧录速度,达到芯片烧录极限可全方位满足英飞凌Infineon TLE9872QTW40系列芯片的裸片离线烧录与在板(isp)烧录的量产需求。

网页尺寸.png

ET9800是一款支持联机、脱机的量产型高速烧录器。采用高性能ARM+FPGA的硬件架构设计,编程带宽高达1.6Gb/s;内置128GB eMMC母头模块,能高效提升eMMC母片拷贝的量产效率;配备4.3英寸LCD触摸屏,优化脱机操作的交互体验;支持“一拖八”并行烧录,可实现复杂多样的烧录需求;且设备集成多种丰富接口,涵盖100/1000M以太网、SD卡、USB2.0 Device、RS-232串口、电源开关及接地端子等,灵活适配多元应用场景。同时提供上位机与下位机软件,支持自动化场景定制,适配智能化产线需求;支持各大厂商各种封装的MCU、eMMC、SPI、Nor/Nand flash、Parallel Nor/Nand flash、EEPROM及DSP等类型芯片,烧写稳定、高效。为客户提供创新的多场景芯片(IC)烧录解决方案。