语言版本: 中文 English

武芯烧录器支持英飞凌Infineon MOTIX™ TLE9872QXA40 芯片编程烧录

发布时间:2026-04-28 15:43:57

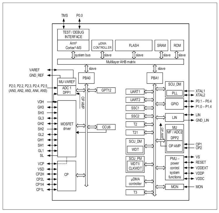
TLE9872QXA40是英飞凌(Infineon)面向汽车电子领域的一款单芯片三相电机驱动器。它以高度集成的特性和强大的功能,成为众多汽车机电一体化BLDC 电机控制应用的理想之选。该芯片集成了 32 位 Arm ® Cortex ® -M3 内核,工作频率最高可达 40MHz。这使得芯片具备出色的运算能力和快速的数据处理速度,能够轻松应对汽车电机控制中复杂的任务,无论是实时监测电机运行状态,还是快速调整控制参数,都能高效完成,确保电机的稳定、精准运行。

TLE9872QXA40 内置了片上存储器,包括 256KB 闪存、4KB EEPROM 和 8KB RAM。大容量的数据存储和数据快速处理空间,能让数据的读写和运算更加迅速。

1.丰富的模拟和混合信号外设

芯片集成了众多丰富的模拟和混合信号外设,用于通过分流器进行电机电流感测的高速运算放大器,能够实时精确地监测电机电流,为电机的稳定运行提供重要的数据支持。10 个通用 I/O 端口 (GPIO) 则为芯片与外部设备的连接提供了极大的灵活性,可实现多样化的功能扩展。5 个模拟输入和 10 位 A/D 转换器 (ADC1) 的组合,使芯片能够处理更多类型的传感器数据。16 位定时器 - GPT12、Timer2、Timer21 和 Timer3 以及捕获 / 比较单元用于 PWM 信号生成 (CCU6),这些定时器和单元协同工作,能够精确地生成 PWM 信号,实现对电机转速、扭矩等参数的精确控制。1 LIN 2.2 收发器则方便了芯片与其他 LIN 网络设备的通信,进一步拓展了芯片在汽车电子系统中的应用范围。此外,2 个全双工串行接口 (UART),其中 UART1 还支持 LIN,以及 2 个同步串行通道 (SSC),为芯片与其他设备之间的数据通信搭建了高速通道,确保数据的快速、稳定传输。

2.先进的电机控制算法支持

这款芯片支持磁场定向控制等先进的电机控制算法,能够实现对电机更加精准、高效的控制。通过这些先进算法,电机可以在不同工况下保持最佳运行状态,提高能源利用效率,降低能耗,同时提升电机的性能和可靠性。

3.汽车级品质与优势

TLE9872QXA40 作为一款高度集成的汽车级设备,符合 AEC - Q100/101 汽车应用要求,确保了其在汽车恶劣环境下的可靠性和稳定性。它不仅配备了尺寸紧凑的体积,能够适应汽车内部空间有限的特点,还为用户带来优质的设计体验,同时优化了 BOM 成本,为机电一体化 BLDC 电机控制应用提供了经济高效的解决方案,真正做到了性能与成本的完美平衡。

主要特性

32位Arm® Cortex®-M3内核

工作频率最高40MHz

256KB闪存

4KB EEPROM、8KB RAM

用于时钟生成的IP OSC和PLL

包含电荷泵的MOSFET驱动器

1 LIN 2.2收发器

10个通用I/O端口(GPIO)

5个模拟输入,10位A/D转换器(ADC1)

16位定时器-GPT12、Timer2、Timer21和Timer3 

捕获/比较单元用于PWM信号生成(CCU6)

单电源供电,范围从5.5 V到28 V

温度范围Tj = -40°C至+150°C

节能模式:MCU降速模式、睡眠模式、停止模式、周期唤醒睡眠模式

过温保护

低压差线性稳压器(LDO)

2个全双工串行接口(UART)

支持LIN(仅适用于UART1)

2个同步串行通道(SSC) 

1个高压监控输入WD 

上电和欠压/棕化复位发生器

时钟丢失检测

LTI 功能的 VQFN-48 封装 

绿色封装(符合RoHS)

AEC 认证

TLE9872QXA40 框图.png

内部框图

武芯科技作为通用型芯片烧录器制造商,专注于IC烧录、测试领域。在持续优化更新烧录软件的同时,也在积极扩充和兼容各大厂商的芯片型号的烧录。ET9800烧录器支持一拖八烧录,同时提供联机、脱机等工作模式。采用DAP接口与TC387芯片交互,通过芯片实时访问特性及双缓冲区软件算法提高烧录速度,达到芯片烧录极限可全方位满足英飞凌Infineon TLE9872QXA40系列TLE9872QXA40、TLE9872-2QXA40芯片的裸片离线烧录与在板(isp)烧录的量产需求。

网页尺寸.png

ET9800是一款支持联机、脱机的量产型高速烧录器。采用高性能ARM+FPGA的硬件架构设计,编程带宽高达1.6Gb/s;内置128GB eMMC母头模块,能高效提升eMMC母片拷贝的量产效率;配备4.3英寸LCD触摸屏,优化脱机操作的交互体验;支持“一拖八”并行烧录,可实现复杂多样的烧录需求;且设备集成多种丰富接口,涵盖100/1000M以太网、SD卡、USB2.0 Device、RS-232串口、电源开关及接地端子等,灵活适配多元应用场景。同时提供上位机与下位机软件,支持自动化场景定制,适配智能化产线需求;支持各大厂商各种封装的MCU、eMMC、SPI、Nor/Nand flash、Parallel Nor/Nand flash、EEPROM及DSP等类型芯片,烧写稳定、高效。为客户提供创新的多场景芯片(IC)烧录解决方案。