武芯烧录器支持德州仪器(TI) TMS320F2806x 系列芯片编程烧录
发布时间:2026-02-25 17:05:03
TMS320F2806x系列是德州仪器(TI)C2000™ 系列中的一款32位微控制器,基于C28x 内核构建,最高工作频率可达90MHz。该系列在C28x 原有指令集基础上进行了扩展,以支持复杂的乘法、Viterbi 运算和循环冗余校验 (CRC),提高在信号处理与数据校验方面的效率与灵活性。
其内部集成稳压器,可实现单电源轨运行。其控制律加速器(CLA)与高度集成的控制外设紧密耦合,在保持低引脚数封装优势的同时,为实时控制任务提供额外的并行处理能力。且对HRPWM 模块经过改进,支持双边缘控制(调频),能够对功率开关的开通与关断时刻进行更精细的调节,从而提升逆变器与电机驱动等应用的性能与效率。
器件内还新增了采用 10 位内部基准的模拟比较器,可通过与其直接相连来控制 ePWM 输出。该系列在代码层面与早期基于 C28x旧版代码保持兼容,同时拥有较高的模拟外设集成度,可减少外部元件数量并提升系统可靠性。凭借其高性能内核、增强型指令集、灵活的 PWM 与模拟功能,TMS320F2806x 系列广泛应用于电动充电桩电源模块、能量存储电源转换系统(PCS)、逆变器、电机控制等对实时性与功率控制精度要求较高的场景,是工业与新能源领域实现高效能量管理的理想控制核心。
主要特性
高效 32 位 CPU (TMS320C28x)
嵌入式存储器:高达 256KB 的闪存、高达 100KB 的随机存取存储器 (RAM)、2KB 一次性可编程 (OTP) ROM
6 通道直接内存存取(DMA)
低器件和系统成本
字节序:小端字节序
支持 JTAG 边界扫描
时钟:两个内部零引脚振荡器、片载晶体振荡器/外部时钟输入、看门狗计时器模块、丢失时钟检测电路
可支持所有外设中断的外设中断扩展 (PIE) 模块
三个 32 位 CPU 计时器
高级控制外设
多达 8 个增强型脉冲宽度调制器 (ePWM) 模块
3 个输入增强型捕捉 (eCAP) 模块
多达 4 个高分辨率捕捉 (HRCAP) 模块
多达 2 个增强型正交编码器脉冲 (eQEP) 模块
12 位模数转换器 (ADC),具有双路采样保持 (S/H) 功能
片上温度传感器
128 位安全密钥和锁:保护安全内存块、防止固件逆向工程
串行端口外设
两个串行通信接口 (SCI) [UART] 模块
两个串行外设接口 (SPI) 模块
一条内部集成电路 (I2C) 总线
一个多通道缓冲串行端口 (McBSP) 总线
一个增强型控制器局域网络 (eCAN)
通用串行总线 (USB) 2.0
多达 54 个具有输入滤波功能的独立可编程、多路复用通用输入/输出 (GPIO) 引脚
高级调试特性:分析和断点功能、通过硬件进行实时调试
封装选项
80 引脚 PFP 和 100 引脚 PZP PowerPAD™ 耐热增强型薄型四方扁平封装 (HTQFP)
80 引脚 PN 和 100 引脚 PZ 薄型四方扁平封装 (LQFP)
温度选项
T:–40°C 至 105°C
S:–40°C 至 125°C

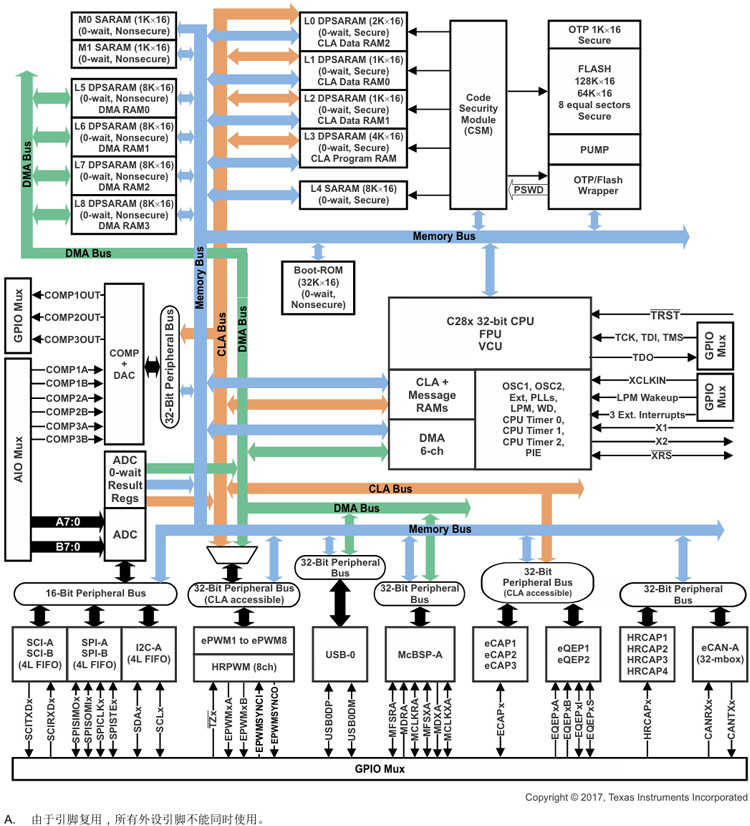
功能框图
武芯科技作为通用型芯片烧录器制造商,专注于IC烧录、测试领域。在持续优化更新烧录软件的同时,也在积极扩充和兼容各大厂商的芯片型号的烧录。ET9800烧录器支持一拖八烧录,同时提供联机、脱机等工作模式,可全方位满足德州仪器(TI)TMS320F2806x系列芯片的裸片离线烧录与在板烧录的量产需求。

ET9800是一款支持联机、脱机的量产型高速烧录器。采用高性能ARM+FPGA的硬件架构设计,编程带宽高达1.6Gb/s;内置128GB eMMC母头模块,能高效提升eMMC母片拷贝的量产效率;配备4.3英寸LCD触摸屏,优化脱机操作的交互体验;支持“一拖八”并行烧录,可实现复杂多样的烧录需求;且设备集成多种丰富接口,涵盖100/1000M以太网、SD卡、USB2.0 Device、RS-232串口、电源开关及接地端子等,灵活适配多元应用场景。同时提供上位机与下位机软件,支持自动化场景定制,适配智能化产线需求;支持各大厂商各种封装的MCU、eMMC、SPI、Nor/Nand flash、Parallel Nor/Nand flash、EEPROM及DSP等类型芯片,烧写稳定、高效。为客户提供创新的多场景芯片(IC)烧录解决方案。