武芯烧录器支持德州仪器(TI) MSPM0G310x-Q1 汽车类芯片编程烧录
发布时间:2026-02-05 11:54:24
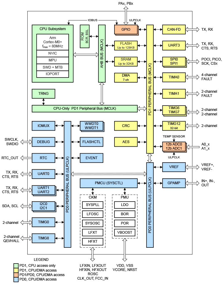
MSPM0G310x 微控制器是德州仪器(TI)MSP 高度集成超低功耗 32 位 MCU 系列,专为汽车类应用量身打造的一款产品。它基于增强型 Arm® Cortex®-M0+ 32 位内核构建,最高工作频率可达 80 MHz,并具备宽广的环境适应能力,支持 -40 °C至125 °C的工作温度范围,可在严苛工况下保持稳定可靠运行,同时支持 1.62 V 至 3.6 V的宽电源电压,便于与多种车载及工业电源系统直接对接。该器件已通过 TÜV 莱茵的 ISO 26262 认证,达到 ASIL B 功能安全等级,为安全关键型应用提供权威保障。
在存储方面,MSPM0G310x 系列配备了具有内置纠错码 (ECC) 且高达 128KB 的嵌入式闪存程序存储器,以及具有硬件奇偶校验选项且高达 32KB 的 SRAM,为关键代码与运行时数据提供稳固保障。芯片还集成存储器保护单元(MPU)与7 通道 DMA,配合丰富的高性能模拟外设,包括两个12 位4 MSPS 模数转换器(ADC)、可配置的内部共享电压基准以及一个通用放大器,能够满足精密测量、信号调理和高分辨率数据采集的需求。
在智能数字外设方面,该系列提供两个 16 位高级控制定时器、五个通用定时器(其中一个支持 QEI 接口,两个可在待机模式下工作,另一个为 32 位定时器)、两个窗口式看门狗定时器,以及具备闹钟与日历模式的RTC 实时时钟,为复杂时序控制与系统监控提供全面支持。为保障数据安全与系统可信,芯片内置数据完整性与加密外设,包括 CRC 校验、TRNG 真随机数发生器以及 AES 加密引擎。通信接口方面,提供增强型多协议连接能力:四个 UART、两个 I²C、两个 SPI,并额外支持 CAN 2.0/FD,便于构建面向车载网络、工业控制等多协议通信系统。
作为 TI MSPM0 系列低功耗 MCU的重要成员,该系列包含不同的模拟与数字集成度,帮助客户根据具体工程需求灵活选型。MSPM0 平台将 Arm CortexM0+内核与超低功耗整体系统架构深度结合,使系统设计者在降低能耗的同时,依然能够获得更高的处理性能与功能扩展性,特别适合对功耗、可靠性与实时性均有严苛要求的汽车电子应用。
主要特性
内核:具有存储器保护单元且频率高达 80MHz 的 Arm 32 位 Cortex-M0+ CPU
符合功能安全标准:专为功能安全应用开发、有助于进行 ISO 26262 系统设计的文档、
系统可满足 ASIL B 级要求、硬件完整性高达 ASIL B 级
安全相关认证:已通过 TÜV 的 ISO 26262 认证 ASIL B
工作温度范围:–40°C 至 125°C
宽电源电压范围:1.62V 至 3.6V
存储器:具有内置纠错码 (ECC) 且高达 128KB 的闪存、具有硬件奇偶校验且高达 32KB 的 SRAM
高性能模拟外设:两个具有总计多达 17 个外部通道的 12 位 4Msps 同步采样模数转换器 (ADC)、一个通用放大器 (GPAMP)、可配置的 1.4V 和 2.5V 内部共享基准电压 (VREF)、集成温度传感器
经优化的低功耗模式:
运行:101µA/MHz (CoreMark)
睡眠:40µA/MHz
停止:190µA/4MHz
待机:具有 32KHz LFXT 的 1.5µA,具有 SRAM 的 RTC,CPU 状态,以及保留的寄存器
关断:80nA,具有保留 IO 和 IO 唤醒能力
智能数字外设:7 通道 DMA 控制器、两个 16 位高级控制计时器,支持死区插入和故障处理、七个计时器,支持多达 22 个 PWM 通道、两个窗口化看门狗计时器 (WWDT)、具有报警和日历模式的 RTC
增强型通信接口:四个 UART 接口、两个 I2C 接口,支持 FM+ (1Mbit/s)、SMBus、PMBus 以及从 STOP 模式唤醒、两个 SPI,一个 SPI 支持高达 32Mbit/s 的速率、
一个控制器局域网 (CAN) 接口支持 CAN 2.0 A 或 B 以及 CAN-FD
时钟系统:精度高达 ±1.2% 的内部 4MHz 至 32MHz 振荡器 (SYSOSC)、高达 80MHz 的锁相环 (PLL)、精度为 ±3% 的内部 32kHz 振荡器 (LFOSC)、外部 4MHz 至 48MHz 晶体振荡器 (HFXT)、外部 32kHz 晶体振荡器 (LFXT)、外部时钟输入
数据完整性和加密:循环冗余校验器(CRC-16、CRC-32)、真随机数发生器 (TRNG)、
使用 128 位或 256 位密钥的 AES 加密
灵活的 I/O 功能:多达 60 个 GPIO
开发支持:2 引脚串行线调试 (SWD)
封装选项:64 引脚 LQFP (PM)(0.5mm 间距)、48 引脚 VQFN (RGZ)(0.5mm 间距)、48 引脚 LQFP (PT)(0.5mm 间距)、32 引脚 VQFN (RHB)(0.5mm 间距)、32 引脚 VSSOP (32DGS)(0.5mm 间距)、28 引脚 VSSOP (28DGS)(0.5mm 间距)、20 引脚 VSSOP (20DGS)(0.5mm 间距)
系列成员包括:MSPM0G3105(32KB 闪存、16KB RAM)、MSPM0G3106(64KB 闪存、32KB RAM)、MSPM0G3107(128KB 闪存、32KB RAM)
汽车级认证:AEC-Q100 等级 1、具有可润湿侧翼选项的 32 引脚和 48 引脚 QFN 封装

功能框图
武芯科技作为通用型芯片烧录器制造商,专注于IC烧录、测试领域。在持续优化更新烧录软件的同时,也在积极扩充和兼容各大厂商的芯片型号的烧录。ET9800烧录器支持一拖八烧录,同时提供联机、脱机等工作模式,可全方位满足德州仪器(TI)MSPM0G310x 系列芯片的裸片离线烧录与在板烧录的量产需求。
