武芯万用型烧录器支持TI BQ40Z50电量计芯片编程烧录
发布时间:2023-11-14 11:21:45
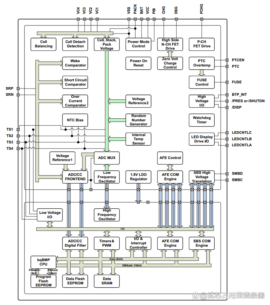
bq40z50 器件采用已获专利的 Impedance Track™ 技术,是一款基于电池组的单芯片全集成解决方案,针对1 节、2 节、3 节和 4 节串联锂离子或锂聚合物电池组提供电量监测、保护及认证等一些列丰富的功能。
bq40z50 器件利用其集成的高性能模拟外设,测量锂离子或锂聚合物电池的可用容量、电压、电流、温度和其他关键参数,保留准确的数据记录,并通过 SMBusv1.1 兼容接口将这些信息报告给系统主机控制器。

BQ40Z50框图
武芯万用型烧录器ET9800(一拖八)、ET6800(一拖四)和ET2800(一拖二)支持此系列的全部芯片型号裸片(离线)烧录和ISP在板烧录。
芯片型号如下表所示:
型号 封装
BQ40Z50RSMR VQFN32
BQ40Z50RSMT VQFN32
