武芯烧录器支持NXP ARM微控制器LPC553x系列芯片编程烧录
发布时间:2026-03-23 15:27:26
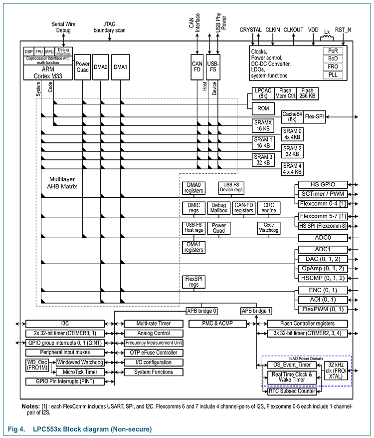
LPC553x系列是NXP(恩智浦)推出的一款基于ARM Cortex-M33内核的低成本32位微控制器,专为对算力、实时性与连接能力要求的嵌入式应用而设计。在存储资源配置上,LPC553x系列提供高达 256 KB 的片上闪存,和高达128 KB的SRAM数据存储器,为复杂算法和实时数据处理提供充足空间;带缓存的 FlexSPI 接口,支持高速外部存储器扩展,并可优化代码与数据的访问效率。
在连接与通信能力方面,该系列集成了多种高速与通用接口,支持无晶体(crystal-less)操作的全速 USB 设备控制器,CAN FD 控制器、八个 Flexcomm 接口,每个均可灵活配置为 USART、SPI、高速 SPI、I²C 或 I²S 接口、一个数字麦克风接口(DMIC)、一个 I3C 接口,,兼容 MIPI I3C 规范,适合下一代高速传感器互联。
在定时与控制外设方面,LPC553x 配备了多层次的定时与监控机制,包括五个通用定时器,一个状态可配置定时器(SCTimer/PWM)、一个 RTC/报警定时器、一个操作系统定时器、一个微滴定时器(Micro-tick Timer)、两个 FlexPWM 定时器和两个正交编码器接口(QEI)等;
在模拟与信号处理方面,LPC553x 集成了四个16 位模数转换器(ADC)、四个模拟比较器、两个片内温度传感器、三个 12 位、1 Msample/s 的数模转换器(DAC)、三个运算放大器等丰富的模拟前端模块。LPC553x系列凭借高性能内核的安全与低功耗的性能优势、丰富的存储资源、多样化的通信接口以及高度集成的模拟与定时外设,成为工业控制、汽车电子、消费电子等嵌入式应用的理想选择。
主要特性:
ARM Cortex-M33内核,工作频率高达150MHz
用于定点和浮点DSP功能的硬件DSP加速器(PowerQuad)
加密/FFT引擎(公钥加密(PKC))
最高256KB片上闪存、高达128KB的SRAM
安全功能:启用Arm TrustZone®、AES-256加密/解密引擎、唯一的128位设备识别序列号、真随机数生成器(TRNG)、安全通用IO、安全启动支持、设备标识符组合引擎(DICE)、安全启动支持
串行接口:FlexComm接口包含8个串行外设、I2C总线接口支持快速模式和快速加模式,数据传输率高达1Mbit/s,具有多种地址识别和监测模式、高速SPI(Flexcomm 8,控制器和应答器均为50MHz)、一个数字麦克风接口,支持两个通道,配备降频数位滤波器和语音激活检测、1个I3C总线接口、1个CAN FD模块,带专用DMA控制器、USB 2.0全速主机/设备控制器,带片上PHY和专用DMA控制器
数字外设:四个单端16位或双差分输入ADC、连接至两个ADC的内置温度传感器、一个始终开启域中的比较器、三个高速比较器、三个12位DAC、三个带可编程VREF的运算放大器、可编程的VREF
2x FlexPWM,具有4个子模块,提供12个PWM输出和2个正交编解码器(QEI)
定时器:5个32位标准通用异步定时器/计数器、一个SCTimer/PWM、32 位实时时钟 (RTC)、多通道多速率24位定时器(MRT)、窗口看门狗定时器 (WWDT)、微节拍定时器
时钟生成:内部自运行振荡器(FRO)、32kHz内部自由运行振荡器、内部低功耗振荡器(FRO 1 MHz)、晶体振荡器、带分频器的时钟输出功能
实电源管理单元
实时时钟(RTC)
低功耗模式:保留RAM的睡眠、深度睡眠,保留RAM和CPU的掉电模式和深度掉电模式
上电复位(POR)
外部VDD_MAIN和内部VDD_CORE的欠压检测(BOD)
单电源:1.8V至3.6V
两个主IO电源
单独的VBAT电源电压:1.71V至3.6V
支持JTAG边界扫描
工作温度范围:-40°C至+105°C
提供HLQFP 100、HTQFP 64和HVQFN48封装

内部框图
武芯科技作为通用型芯片烧录器制造商,专注于IC烧录、测试领域。在持续优化更新烧录软件的同时,也在积极扩充和兼容各大厂商的芯片型号的烧录。ET9800烧录器支持一拖八烧录,同时提供联机、脱机等工作模式,可全方位满足NXP(恩智浦)LPC553x系列LPC5536JBD64、LPC5536JBD64芯片的裸片离线烧录与在板烧录的量产需求。

ET9800是一款支持联机、脱机的量产型高速烧录器。采用高性能ARM+FPGA的硬件架构设计,编程带宽高达1.6Gb/s;内置128GB eMMC母头模块,能高效提升eMMC母片拷贝的量产效率;配备4.3英寸LCD触摸屏,优化脱机操作的交互体验;支持“一拖八”并行烧录,可实现复杂多样的烧录需求;且设备集成多种丰富接口,涵盖100/1000M以太网、SD卡、USB2.0 Device、RS-232串口、电源开关及接地端子等,灵活适配多元应用场景。同时提供上位机与下位机软件,支持自动化场景定制,适配智能化产线需求;支持各大厂商各种封装的MCU、eMMC、SPI、Nor/Nand flash、Parallel Nor/Nand flash、EEPROM及DSP等类型芯片,烧写稳定、高效。为客户提供创新的多场景芯片(IC)烧录解决方案。