武芯烧录器支持NXP数字控制器TEA2017AAT系列芯片编程烧录
发布时间:2026-03-11 16:25:53
TEA2017AAT系列是NXP(恩智浦)推出的一款数字化可配置LLC和PFC组合控制器,主要用于高效谐振电源。它包括LLC和PFC控制器功能,PFC经配置可在DCM/QR、CCM固定频率或支持所有操作模式的多模式下运行。该TEA2017AAT系列似的构建一个设计简便且元件数量极低的完整谐振电源成为可能,电源设计简便,组件数量少,且采用小型窄条SO16封装。在电源开发过程中,LLC和PFC控制器的许多作和保护设置可以通过向设备加载新设置来调整,以满足特定的应用需求。
此外,其数字架构基于高速可配置的硬件状态机,确保非常可靠的实时性能。与传统的谐振拓扑不同,由于LLC低功耗模式,在低负载下表现出极高的效率,可运行在连续切换(也称为高功率模式)和突发模式之间的功率区间。且可通过一次电容电压调节系统的LLC输出电压,能够准确的了解输出功率。TEA2017AAT系列包含如过温保护(OTP)、过电流保护(OCP)、过电压保护(OVP)、过功率保护(OPP)、开环保护(OLP)和电容模式调节(CMR)。这些保护可以通过在设备内部编程参数来独立且准确地配置。该器件包含低压和高压硅技术,用于高压启动,集成驱动、电平转换器、保护装置以及确保零电压开关的电路。TEA2017AAT系列提供了设计简便、高效且可靠的电源,提供90至500瓦的功率,且外部元件最少。
主要特性:
采用小型SO16封装的LLC和PFC控制器的完整功能
集成高压启动源
集成驱动器和高压电平转换器(LS)
高边驱动器直接由高边驱动器输出提供
精确的升压稳压
PFC可配置为以下模式运行
电源的良好功能
优化EMI性能的PFC抖动
无需额外的外部组件就能进行集成的X电容放电
优良的功率因数(PF)和总谐波失真(THD),因为PFC电流补偿了输入滤波器电流
波谷/零电压切换实现最小开关损耗
从低负载转换到高负载的效率非常高
符合最新的节能标准和指令
卓越的空载输入功率

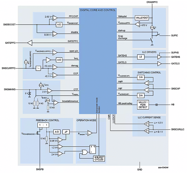
功能框图
武芯科技作为通用型芯片烧录器制造商,专注于IC烧录、测试领域。在持续优化更新烧录软件的同时,也在积极扩充和兼容各大厂商的芯片型号的烧录。ET9800烧录器支持一拖八烧录,同时提供联机、脱机等工作模式,可全方位满足NXP(恩智浦)TEA2017AAT系列芯片的裸片离线烧录与在板烧录的量产需求。

ET9800是一款支持联机、脱机的量产型高速烧录器。采用高性能ARM+FPGA的硬件架构设计,编程带宽高达1.6Gb/s;内置128GB eMMC母头模块,能高效提升eMMC母片拷贝的量产效率;配备4.3英寸LCD触摸屏,优化脱机操作的交互体验;支持“一拖八”并行烧录,可实现复杂多样的烧录需求;且设备集成多种丰富接口,涵盖100/1000M以太网、SD卡、USB2.0 Device、RS-232串口、电源开关及接地端子等,灵活适配多元应用场景。同时提供上位机与下位机软件,支持自动化场景定制,适配智能化产线需求;支持各大厂商各种封装的MCU、eMMC、SPI、Nor/Nand flash、Parallel Nor/Nand flash、EEPROM及DSP等类型芯片,烧写稳定、高效。为客户提供创新的多场景芯片(IC)烧录解决方案。