语言版本: 中文 English

武芯万用型烧录器支持英迪芯微iND83212系列芯片编程烧录

发布时间:2024-01-07 22:18:05

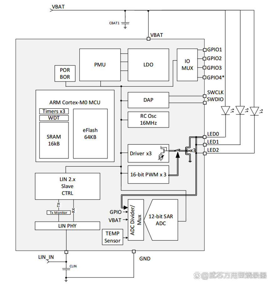
集成ARM M0核

提供64K Flash以及16K SRAM

第三代LIN收发器及控制器

60mA的高压恒流源

可实现低至25uA的休眠电流

支持16位 PWM调光,PN电压检测,温度传感器,12位SAR ADC

提供4路GPIO,可通过GPIO实现外部LED的分时电路控制,以及马达继电器的驱动电路控制

支持QFN20 4*4mm及DFN14 3*3mm封装

主要应用: 氛围灯照明控制器,热管理控制器,微马达控制器等。

编辑搜图

iND83212框图

武芯万用型烧录器ET9800(一拖八)、ET6800(一拖四)和ET2800(一拖二)支持此系列的全部芯片型号裸片(离线)烧录和ISP在板烧录。


编辑搜图



芯片型号如下表所示:

型号               Flash空间 封装

iND83212-Q20 64KB    QFN20

iND83212-D14 64KB    DFN14